|
Rodamiento Esférico Radial Liso Ge 20 Es-2rs
Compartir este producto
Descripción
Las rótulas esféricas radiales están diseñadas para soportar cargas radiales, y cargas radiales y axiales combinadas, así como desalineaciones. Este diseño específico incluye una combinación de superficie de contacto deslizante de acero/acero y un sello rozante de doble labio en ambos lados. Los rodamientos requieren mantenimiento y pueden relubricarse a través de los orificios de lubricación y una ranura anular en ambos aros.
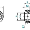
D: 20,0 - 0,010 mm
A: 35,0 - 0,011 mm
Ancho B: 16 milímetros
M: 12 milímetros
P: 24,1 milímetros
dS: 29,0 milímetros
capacidad de carga estática en kN: 146.0
capacidad de carga dinámica en kN: 30.0
Ángulo de inclinación a: 9°
Peso unitario en kg: 0.064
También podría interesarte uno de estos
ML1097807
|
FIXSER
Kit tarugo plástico para concreto 6 mm 80 uni + roscalata cabeza plana 4x30mm 80 uni
$3.190
MLS2852971196
|
Skechers
Blusa médica Reliance STRETCH estilo cruzado con 3 bolsillos para mujer
$22.890